Kavan S52AII 2T ABC 8,47 ccm

Cena w sklepie internetowym zawiera podatek VAT: 128,63 €
W magazynie
Piątek 06.02. możesz go mieć w sklepie centralnym Nademlejnská
Poniedziałek 09.02. może być z tobą
Kupić
Kupić

Jesteśmy na rynku już od 35 lat = bezpieczne zakupy i profesjonalna obsługa
Producent: Kavan
Kod produktu: KAV28.1008
EAN: 8596450113886
nowość

Nie wiesz jak wybrać? Niektóre parametry są dla Ciebie niezrozumiałe? Napisz do nas swoje pytanie, a my skontaktujemy się z Tobą z odpowiedzią.

Wyślij zapytanie
  • Opis produktu

  • Informacje techniczne

Opis produktu

Kavan KAV28.1008 - Kavan S52AII 2T ABC 8,47 ccm

Dvoudobý letecký motor o zdvihovém objemu 8,47 ccm se žhavící svíčkou a dvoujehlovým RC karburátorem. Výkon: 1,47 kW při 17 500 ot/min, hmotnost s tlumičem: 397 g.

Dvoudobé motory Kavan představují vynikající volbu pro rekreační sportovní, akrobatické modely a makety letadel. Vyznačují se spolehlivým chodem a velmi snadným nastavováním; jsou to v tom nejlepším smyslu slova „spotřební“ motory, které si může dovolit pořídit a provozovat každý příznivec vůně benzínu – tedy vlastně metylu. A pokud jim budete věnovat přiměřenou péči, budou vaše modely spolehlivě pohánět po dlouhé roky.

Kavan S52AII je dvoudobý motor se žhavící svíčkou, jenž využívá klasické konstrukce s pístem a vložkou ABC. Motor je konstruovaný pro RC modely letadel všeho druhu. Motor je osazen dvoujehlovým RC karburátorem s oddělenou hlavní jehlou, jež je namontována na zadním víku. V základní sestavě je dodáván rovněž expanzní tlumič výfuku.

Kliková hřídel má závit pro matici vrtule UNF 1/4-28.

Doporučené rozměry vrtulí

Záběh: 12×5", sport a akrobat: 11×7", 11×8", maketa: 12×5", 12×6".

Doporučená palivová nádrž

Ideálně 250–350 ml.

Doporučené palivo

Nenitrované „FAI“ palivo s 20 % ricinového oleje (po záběhu můžete přejít na palivo s 15 % ricinového oleje) nebo obdobné se směsí ricinového/syntetického oleje nebo se syntetickým olejem a 1–15 % nitromethanu. Doporučujeme používat palivo s aspoň malým obsahem nitromethanu – chod motoru je poté opravdu vysoce spolehlivý, nastavení karburátoru je snadnější a méně citlivé na změny teploty a jiné vlivy okolního prostředí.

Doporučená svíčka

Kavan GP-1, O.S. MAX No.8, Kavan Premium No.3.

Obsah balení

Balení obsahuje motor s RC karburátorem, hlavní jehlu se zadní montáží, expanzní dvoukomorový tlumič a návod.

Informacje techniczne

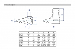
Zdvihový objem [ccm] 8,47
Počet válců 1
Vrtání [mm] 22,4
Zdvih [mm] 21,5
Provozní otáčky [ot/min] 2000 – 17 500
Výkon motoru (17 500 RPM) [kW] 1,47
Hmotnost [g] 397
Doporučený objem nádrže [ml] 250–350
Závit matice vrtule 1/4 UNF

Części zamienne i powiązane produkty

15 rzeczy

Ta strona korzysta z plików cookies

W celu poprawy jakości naszych usług na tej stronie używamy plików cookies. Aby uzyskać więcej informacji, przejdź do Warunków korzystania z witryny .

Funkcjonalne pliki cookie Te pliki cookie są niezbędne do prawidłowego funkcjonowania witryny i dlatego nie można ich wyłączyć.
Analityczne pliki cookie Analityczne pliki cookie pomagają nam śledzić i analizować sposób, w jaki odwiedzający wchodzą w interakcję z naszą witryną w Google Analytics 4. Informacje te pozwalają nam ulepszać zawartość i zapewniać lepszą obsługę użytkownika.
Marketingowe pliki cookie Odczytywanie i zapisywanie plików cookies w celach marketingowych dla systemów reklamowych takich jak Google Ads czy Sklik. Te pliki cookie pozwalają nam śledzić zachowanie użytkowników oraz mierzyć wydajność witryny i skuteczność naszych kampanii reklamowych.
Spersonalizowana reklama Remarketingowe pliki cookies pozwalają nam prezentować Ci spersonalizowane reklamy na podstawie Twoich wcześniejszych interakcji z naszą witryną w systemach takich jak Google Ads, Sklik.
Wykorzystanie danych osobowych Korzystając z tej opcji, wyrażasz zgodę na przesyłanie i przetwarzanie Twoich danych osobowych do Google w celu targetowania i oceny reklam online oraz marketingu ukierunkowanego.